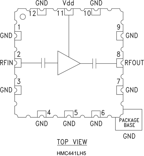
寬帶GaAs MMIC功率放大器 陶瓷封裝0.7至2.2GHz頻段 美國進口功率放大器現貨出售
2018-06-28 14:50:37
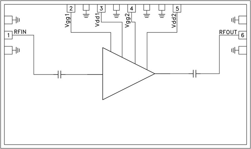
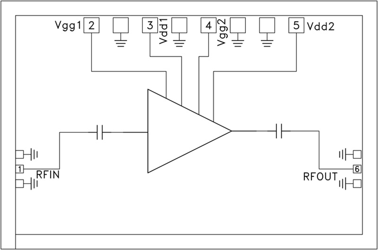
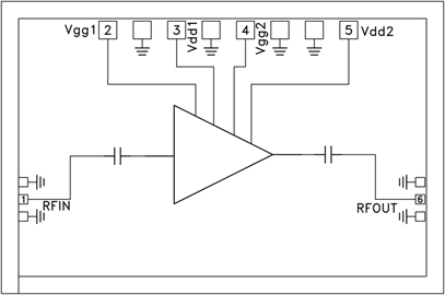
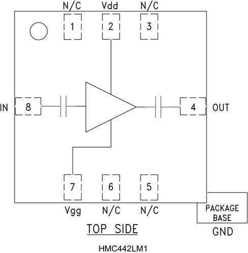
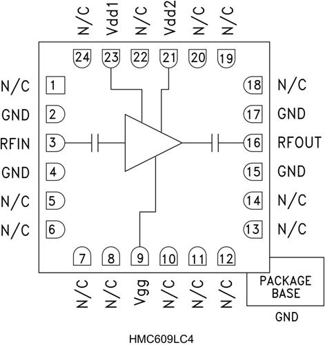
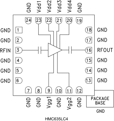
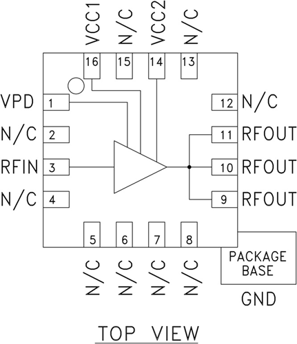
AMCOM的AM072249WM是帶寬GaAs MMIC輸入公率放縮器。它有長個30dB小訊號增益控制和39 dBm(8W)是處于飽和狀態輸入的額定容量CW機械性能輸入公率高于0.7至2.2GHz頻段。MMIC在多個集成電路芯片(-00—R)中帶來了。包(-SN-R)表格樣式。AM072249WM SN-R是瓷器打包封裝中的一些。蝶閥法蘭和直RF和DC會導致自動裝配急劇下降