市場內容
發(fa)布新聞準確時(shi)間:2018-06-27 17:23:18 瀏覽器:7416
HMC609LC4不是款GaAs PHEMT MMIC低(di)噪(zao)音源(yuan)增加器(LNA),業(ye)(ye)務速度范圍圖為2至4 GHz。 HMC609LC4在這個業(ye)(ye)務頻段內具備有出眾的(de)溝(gou)壑效果性能特點(dian),屬(shu)于(yu)20 dB小網絡信號增益控制、3.5 dB噪(zao)音源(yuan)指數和+36.5 dBm輸出的(de)IP3。 50 Ω識別增加器不用再隨便外(wai)鏈(lian)識別電氣元件。 HMC609LC4可以使用高發熱(re)量表貼生(sheng)產制造工藝,且RF I/O進(jin)行隔直以進(jin)三步能夠集合。
品牌
型號
描述
貨期
庫存
ADI
HMC609LC4
HMC609LC4TR
低噪聲放大器,采用SMT封裝,2 - 4 GHz
現貨
203
HMC609LC4應用
HMC609LC4優勢和特點
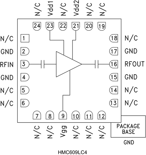
HMC609LC4結構圖
