HMC-ABH241/HMC-ABH241-SX四個維度GaAs HEMT MMIC適中馬力變小器 ADI現貨黃金
公布的時(shi)長:2018-06-26 16:30:49 打(da)開網頁(ye):2435
THMC-ABH241就是一款3級GaAs HEMT MMIC中等水平電機效率變大器,的工作率依據為50至66 GHz。 HMC-ABH241可以提供24 dB增加收益,用于+5V電源線額定電壓時還具有+17 dBm輸出的電機效率(1dB縮小)。 因此焊盤和IC芯片后面都經過了Ti/Au材料化,變大器已幾乎鈍化以變現可信度的操作。
HMC-ABH241 GaAs HEMT MMIC適中電功率增加器兼容傳統化的基帶集成塊貼裝的方法,同時熱解壓縮和熱超聲檢查線焊接工藝藝,十分的可以MCM和混雜微電路系統應用軟件。 此頁呈現的其他數據信息均是基帶集成塊在50 Ω學習環境下采用RF溫度探頭接受得出。
|
品牌
|
型號
|
描述
|
貨期
|
庫存
|
|
ADI
|
HMC-ABH241
HMC-ABH241-SX
|
中等功率放大器芯片,50 - 66 GHz
|
現貨
|
249
|
THMC-ABH241應用
THMC-ABH241優勢和特點
-
輸出IP3: +25 dBm
-
P1dB: +17 dBm
-
增益: 24 dB
-
電源電壓: +5V
-
50 Ω匹配輸入/輸出
-
裸片尺寸: 3.2 x 1.42 x 0.1 mm
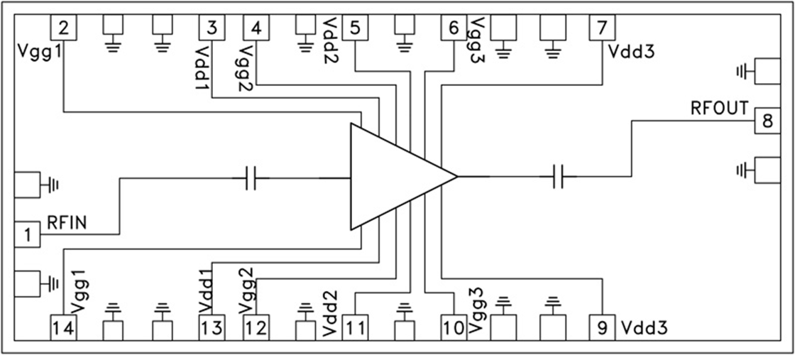
THMC-ABH241結構圖
