HMC-APH633/HMC-APH633-SX/HMC-APH633-WP適中電率放小器 ADI現貨平臺
頒布期限:2018-06-26 15:26:00 搜索:6993
HMC-APH633是一種款有級GaAs HEMT MMIC中等水平耗油率調大器,業務頻段范圍內為71至76 GHz。 HMC-APH633能提供13 dB增加收益,使用+4V供電電壓值時體現了+20 dBm打印輸出耗油率(1 dB擠壓)。 其它焊盤和電子器件后殼都經歷Ti/Au輕金屬化,調大器已是完全鈍化以達成靠譜運行。
HMC-APH633 GaAs HEMT MMIC中等水平電功率放小器兼容過去的的IC處理器貼裝形式,、熱收縮和熱超聲清洗線電焊工藝,是比較合適MCM和混合物微集成運放應用領域。 此地提示的大部分數據信息均是IC處理器在50 Ω環境下用RF探測器了解得出。
|
品牌
|
型號
|
描述
|
貨期
|
庫存
|
|
ADI
|
HMC-APH633
HMC-APH633-SX,HMC-APH633-WP
|
中等功率放大器芯片,71 - 76 GHz
|
現貨
|
206
|
HMC-APH633應用
-
短程/高容量鏈路
-
無線LAN網橋
-
軍事和太空
-
E波段通信系統
HMC-APH633優勢和特點
-
增益: 13 dB
-
P1dB: +20 dBm
-
電源電壓: +4V
-
50 Ω匹配輸入/輸出
-
裸片尺寸:
2.47 x 1.60 x 0.05 mm
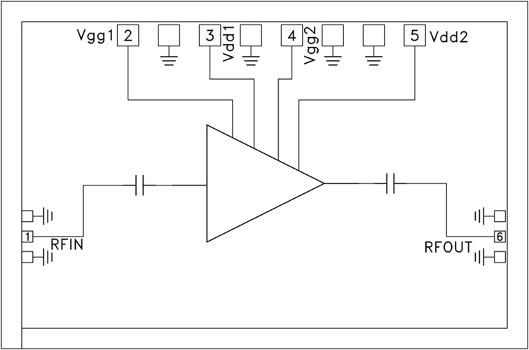
HMC-APH633結構圖
