HMC408LP3E/HMC408LP3ETR科學規范率效率縮放器5.1 - 5.9 GHz ADI現貨交易
發表精力:2018-06-26 13:39:38 閱覽:7338
HMC408LP3(E)是一種款5.1 - 5.9 GHz高成本低投入率GaAs InGaP異質結雙正負晶胞管(HBT)瓦數調大器MMIC,出示+30 dBm P1dB。 該調大器出示20 dB增加收益,是處于飽和狀態瓦數為+32.5 dBm,電源適配器內容打印輸出工率為+5V (27% PAE)。 顯示對外部配對至50 Ohms,內容打印輸出需不多的對外部電氣元件。 Vpd能夠用于全費電傳統模式或RF內容打印輸出瓦數/電流值保持。 該調大器使用成本低投入、3x3 mm無鉛界面貼裝芯片封裝,會有曝露底座以可以改善RF和排熱效能。
|
品牌
|
型號
|
描述
|
貨期
|
庫存
|
|
ADI
|
HMC408LP3E
HMC408LP3ETR
|
1 W功率放大器SMT,5.1 - 5.9 GHz
|
現貨
|
275
|
HMC408LP3應用
-
802.11a & HiperLAN WLAN
-
UNII和點對點/多點無線電
HMC408LP3優勢和特點
-
增益: 20 dB
-
飽和功率: +32.5 dBm (27% PAE)
-
單電源電壓: +5V
-
省電功能
-
3x3 mm無鉛SMT封裝
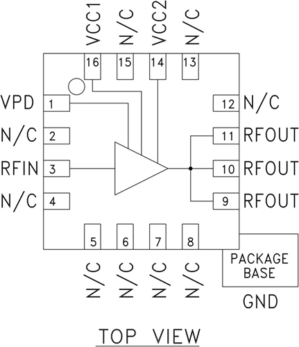
HMC408LP3結構圖
