HMC455LP3ETR/HMC455LP3E高輸出電壓變成器 ADI外盤POS機經銷商
發布公告時刻:2018-06-26 11:56:52 預覽:2386
HMC455LP3(E)也是款高輸入的IP3 GaAs InGaP異質結雙導電性晶胞管(HBT)、1?2瓦特MMIC變成器,在1.7至2.5 GHz的速度下運作。 該變成器僅利用的是較為小的數的外面零件,出示13 dB的收獲,在PAE為56%時出示+28 dBm的飽和點額定功率,利用的一個+5 Vdc線電壓開關電源。 考慮到兼具+42 dBm的高輸入IP3,再運用1.4:1的低VSWR,以至于HMC455LP3(E)擁有滿足PCS/3G無線數字依據基建項目的很理想安裝驅動變成器。 這輛規則化變成器選擇成本控制預算的無引腳3x3 mm QFN接觸面貼裝封口(LP3)。 LP3出示裸漏基極以達成表現出色的RF和風扇散熱性能方面。
|
品牌
|
型號
|
描述
|
貨期
|
庫存
|
|
ADI
|
HMC455LP3ETR
HMC455LP3E
|
?瓦特高IP3放大器,采用SMT封裝,1.7 - 2.5 GHz
|
現貨
|
269
|
HMC455LP3應用
-
多載波系統
-
GSM、GPRS和EDGE
-
CDMA和WCDMA
HMC455LP3優勢和特點
-
輸出IP3: +42 dBm
-
增益: 13 dB
-
PAE為56%(Pout為+28 dBm時)
-
+19 dBm的W-CDMA通道功率(ACP為-45 dBc時)
-
3x3 mm QFN SMT封裝
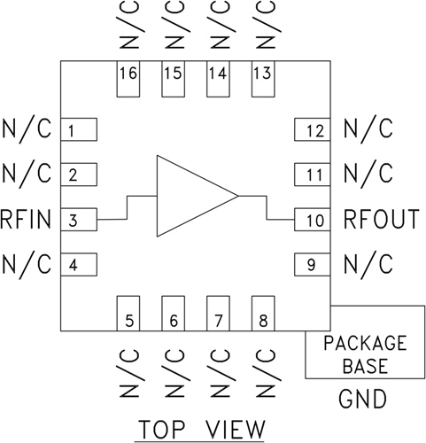
HMC455LP3結構圖
