HMC608LC4/HMC608LC4TR/HMC608LC4TR-R5中高馬力擴大器 ADI現貨平臺
披(pi)露時:2018-06-26 16:19:23 搜(sou)索:2462
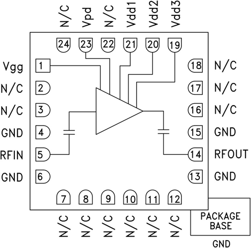
HMC608LC4都是款高的動態依據GaAs pHEMT MMIC高的英語瓦數調小器,運用無引腳“無鉛”SMT封裝。該調小器提拱四種辦公的策略:高增加收益控制值策略(Vpd引腳短接至地);和低增加收益控制值策略(Vpd引腳保持良好引路)。下表呈現了在高增加收益控制值策略下辦公的的調小器的機電的規格。該調小器體現了9.5至11.5 GHz的辦公的依據,提拱29.5 dB增加收益控制值、+27.5 dBm飽和點瓦數和23% PAE(+5V交流電源相電壓)。噪聲源因子為6 dB,而的輸出IP3為+33 dBm。隔直RF I/O連接至50 Ω,利用便宜。HMC608LC4不需要線焊,可能利用表貼制作技術。
|
品牌
|
型號
|
描述
|
貨期
|
庫存
|
|
ADI
|
HMC608LC4,HMC608LC4TR,HMC608LC4TR-R5
|
中等功率放大器,采用SMT封裝,9.5 - 11.5 GHz
|
現貨
|
237
|
HMC608LC4應用(yong)
HMC608LC4優勢和特點
-
輸出IP3:+33 dBm
-
飽和功率:+27.5 dBm (23% PAE)
-
增益:29.5 dB
-
電源:+5V(310 mA時)
-
50 Ω匹配輸入/輸出
-
符合RoHS標準的4x4 mm SMT封裝
HMC608LC4結構圖
