HMC-AUH320/HMC-AUH320-SX4級高的英語工作功率拖動器 ADI現貨交易
更新準確時間:2018-06-27 11:44:10 網頁瀏覽:2725
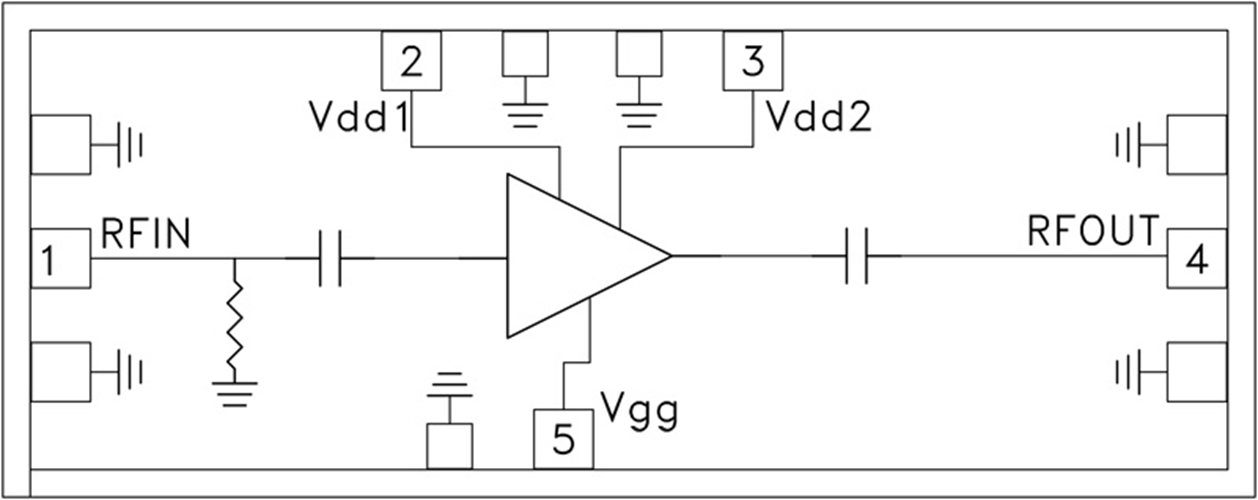
HMC-AUH320一款高動態圖區間的四六級GaAs HEMT MMIC一般傷害工作效率調大器,在71至86 GHz的頻次下事情。 HMC-AUH320在74 GHz頻次下供應16 dB的收獲,在1 dB解壓縮點供應+15 dBm的傷害傷害工作效率,運用+4V交流電源輸出功率。 擁有焊盤和電源芯片側面都路經Ti/Au金屬材料化,調大器器材已全鈍化以實現了穩定可靠實操。
HMC-AUH320 GaAs HEMT MMIC中上最大功率拖動器可兼容正規的處理集成電路芯片貼裝方式方法,相應熱擠壓和熱彩超線焊,相當適用于MCM和混雜微線路軟件應用。 在這兒顯示信息的全部參數均是處理集成電路芯片在50 Ohm環鏡下選擇RF探測器接受測是。
|
品牌
|
型號
|
描述
|
貨期
|
庫存
|
|
ADI
|
HMC-AUH320
HMC-AUH320-SX
|
中等功率放大器芯片,71 - 86 GHz
|
現貨
|
233
|
HMC-AUH320應(ying)用
-
短程/高容量鏈路
-
無線LAN網橋
-
汽車雷達
-
軍事和太空
-
E波段通信系統
HMC-AUH320優勢和特點
-
增益: 16 dB (76 GHz)
-
P1dB: +15 dBm
-
電源電壓: +4V
-
50 Ω匹配輸入/輸出
-
裸片尺寸:
2.20 x 0.87 x 0.1 mm
HMC-AUH320結構圖
