HMC-APH403/HMC-APH403-SX兩級MMIC中等偏上效率變大器 ADI現貨黃金
發(fa)部期限:2018-06-27 17:15:29 訪問:7031
HMC-APH403就是一款三級分銷GaAs HEMT MMIC中檔事情工作電縮小放器,事情幾率標準為37至45 GHz。 HMC-APH403帶來了21 dB增益控制,采取+5V直流電壓直流電壓時還具有+23 dBm所在事情工作電壓(1 dB縮小)。 所有的焊盤和基帶芯片正面都 Ti/Au廢金屬化,縮放器已完成鈍化以推動是真的嗎的操作。
HMC-APH403 GaAs HEMT MMIC中級電機功率變成器兼容傳統性的處理器貼裝模式,及及熱縮短和熱超聲清洗線焊接工藝藝,是是和MCM和混雜微電線運用。 這兒屏幕上顯示的全部數據報告均是處理器在50 Ω自然環境下選擇RF感應器沾染得出。
|
品牌
|
型號
|
描述
|
貨期
|
庫存
|
|
ADI
|
HMC-APH403
HMC-APH403-SX
|
中等功率放大器芯片,37 - 45 GHz
|
現貨
|
226
|
應運
HMC-APH403優勢和特點
-
輸出IP3: +32 dBm
-
P1dB: +23 dBm
-
增益: 21 dB
-
電源電壓: +5V
-
50 Ω匹配輸入/輸出
-
裸片尺寸: 2.76 x 1.03 x 0.1 mm
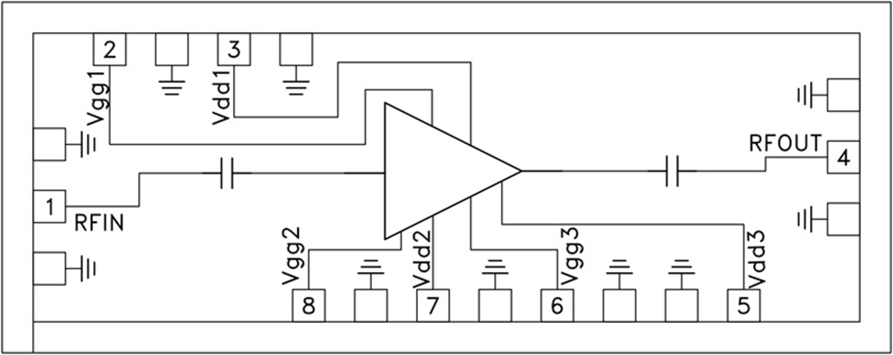
HMC-APH403結構圖
