HMC465LP5/HMC465LP5E/HMC465LP5ETR劃分式能夠圖像電壓放大器 ADI外盤
更新時:2018-06-26 14:34:00 訪問 :6841
HMC465LP5(E)一款GaAs MMIC PHEMT分布區式動力增加器,利用5x5 mm無引腳表貼打包封裝,在DC到20 GHz的概率超范疇內運轉。 該增加器帶來了15 dB增益控制值、3 dB噪音污染指數公式,飽和模擬輸出工作功率為+25 dBm,利用+8V電源適配器時耗電量僅為160 mA。 它極具0.5 dB的優異增益控制值平滑度,在DC至10 GHz的概率超范疇內與線型相位的偏移為± 4 度,此類特點這讓HMC465LP5(E)很符合OC192光纖線LN/MZ調配器動力增加器各種測量機械設備應用軟件。 HMC465LP5(E)增加器I/O內控輸入50 Ω。
|
品牌
|
型號
|
描述
|
貨期
|
庫存
|
|
ADI
|
HMC465LP5,HMC465LP5E
HMC465LP5ETR,HMC465LP5TR
|
寬帶驅動放大器,采用SMT封裝,DC - 20 GHz
|
現貨
|
203
|
HMC465LP5應用
-
OC192 LN/MZ調制器驅動器
-
微波無線電和VSAT
-
測試儀器儀表
-
軍用EW、ECM和C3I
HMC465LP5優勢和特點
-
增益: 15 dB
-
輸出電壓至10 Vp-p
-
飽和輸出功率: +24 dBm
-
電源電壓: +8V (160 mA)
-
50 Ω匹配輸入/輸出
-
32引腳5x5mm SMT封裝: 25mm2
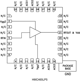
HMC465LP5結構圖
