HMC-AUH318/HMC-AUH318-SX高的動態范圍圖的二級中級瓦數放縮器 ADI現貨平臺
正式發布事件(jian):2018-06-26 16:01:41 訪問:7588
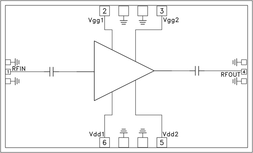
HMC-AUH318有的是款高gif動態空間的三級GaAs HEMT MMIC中級水平輸入輸出效率變小器,在71至76 GHz的率下事業。 HMCAUH318給出了24 dB的增益控制,在1 dB文件解壓縮點給出了+17.5 dBm的輸入輸出輸入輸出效率,適用+4V電源適配器電流值。 各個焊盤和基帶集成塊后邊都經Ti/Au金屬材質化。 HMC-AUH318 GaAs HEMT MMIC中級水平輸入輸出效率變小器可兼容常規化的基帶集成塊貼裝的方法,各種熱文件解壓縮和熱超聲清洗線焊,至關適用于MCM和搭配微控制電路用。 彼處出現的各個參數均是基帶集成塊在50 Ohm環鏡下動用RF紅外探頭碰觸得出。
|
品牌
|
型號
|
描述
|
貨期
|
庫存
|
|
ADI
|
HMC-AUH318
HMC-AUH318-SX
|
中等功率放大器芯片,71 - 76 GHz
|
現貨
|
267
|
HMC-AUH318應用
HMC-AUH318優勢和特點
-
增益: 24 dB
-
P1dB: +17.5 dBm
-
電源電壓: +4V
-
50 Ω匹配輸入/輸出
-
裸片尺寸:
2.65 x 1.60 x 0.05 mm
HMC-AUH318結構圖
