HMC461LP3E雙緩沖區MMIC變小器 1w高IP3變小器 ADI期貨
發布信息用時:2018-06-26 11:49:49 挑選:1953
HMC461LP3(E)都是款1.7 - 2.2 GHz高轉換IP3 GaAs InGaP異質結雙旋光性納米線管(HBT)雙車道MMIC變成器。 它在單獨的集成系統電源線三極管中,供給幾個HMC455LP3高IP3安裝伺服控制器的線性網絡耐磨性,可在不穩定量或推挽變成器電源線三極管中顯卡設置。 該變成器供給12 dB的增益值和+30.5 dBm的過剩工作效率(當PAE為48%時),用+5 Vdc單電源線,直接實用不穩定量顯卡設置的外邊巴倫。
伴隨包括+45 dBm的高輸出IP3,再配合1.2:1的低VSWR,往往HMC461LP3(E)已成為適合PCS/3G移動根本建筑設施的人生理想驅動器變小器。 雙MMIC變小器集成型控制電路按照高效益價的無引腳3x3 mm QFN外表貼裝封口(LP3)。 LP3作為裸露出基極以實行表現出色的RF和水冷散熱特點。
|
品牌
|
型號
|
描述
|
貨期
|
庫存
|
|
ADI
|
HMC461LP3
|
1瓦特高IP3放大器,采用SMT封裝,1.7 - 2.2 GHz
|
現貨
|
278
|
HMC461LP3應用
-
多載波系統
-
GSM、GPRS和EDGE
-
CDMA和W-CDMA
-
PHS
-
可配置平衡或推挽
HMC461LP3優勢和特點
-
+45 dBm輸出IP3(平衡配置)
-
增益:12 dB
-
PAE為48%(Pout為+30.5 dBm時)
-
+20 dBm的W-CDMA通道功率(ACP為-45 dBc時)
-
3x3 mm QFN SMT封裝
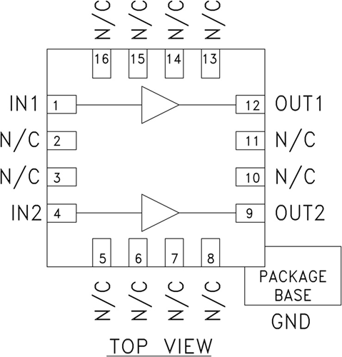
HMC461LP3結構圖
