HMC442LM1/HMC442LM1TR效率調大器 ADI現貨黃金
披(pi)露期限(xian):2018-06-27 16:42:54 看:1958
HMC442LM1不是款光纖寬帶網絡17.5至24 GHz GaAs PHEMT MMIC中上最大電功率放縮器,適用SMT無引腳心片膜蛋白打包裝封。 LM1適用正真的表貼光纖寬帶網絡公分波打包裝封,帶來低耗用和非常出色的I/O適應,并保護MMIC心片功能。 該放縮器帶來14 dB收獲,呈現飽和狀態最大電功率為+23 dBm(27% PAE時),開關電源額定電壓為+5V。
50 Ω顯示調小器在RF顯示和轉換端上集成式隔直,異常好重復使用線形增益控制包塊、衛星發射鏈控制包器或HMC SMT混頻器LO控制包器。 做為集成ic和電線電纜結合應用程序的使用配件,HMC442LM1免線焊,而使為朋友帶來完全一致的接口標準。
|
品牌
|
型號
|
描述
|
貨期
|
庫存
|
|
ADI
|
HMC442LM1
HMC442LM1TR
|
中等功率放大器,采用SMT封裝,17.5 - 24.0 GHz
|
現貨
|
212
|
HMC442LM1應用
HMC442LM1優勢和特點
-
飽和功率: +23 dBm (27% PAE)
-
增益: 14 dB
-
電源電壓: +5V
-
50 Ω匹配輸入/輸出
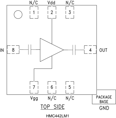
HMC442LM1結構圖
