HMC441LH5/HMC441LH5TR聯通寬帶高的英語最大功率調小器 ADI現貨平臺
推出時期:2018-06-26 15:14:32 預覽:6991
HMC441LH5是一種款聯通寬帶7至15.5 GHz GaAs PHEMT MMIC中低最大額定功率變小器,選擇封嚴型SMT無引腳二極管封裝。 該變小器打造15 dB增加收益,供大于求最大額定功率為21.5 dBm(25% PAE時),電原額定電壓為+5V。 50 Ω連接變小器暫時無法任何的外接電子器件,且RF I/O過隔直,無比可不可以用來作為線性網絡增加收益輸出模塊或控制變小器。 HMC441LH5可不可以安全使用表貼制作科技,選于高靠譜性美國軍事、工業化和空間應用。
|
品牌
|
型號
|
描述
|
貨期
|
庫存
|
|
ADI
|
HMC441LH5
HMC441LH5TR
|
中等功率放大器,采用SMT封裝,7.0 - 15.5 GHz
|
現貨
|
216
|
HMC441LH5應用
HMC441LH5優勢和特點
-
增益: 15 dB
-
飽和功率:
+21.5 dBm (25% PAE)
-
單正電源: +5V
-
50 Ω匹配輸入/輸出
-
密封型SMT封裝,25mm2
-
按照MIL-PRF-38535篩選
提供(等級B或等級S)
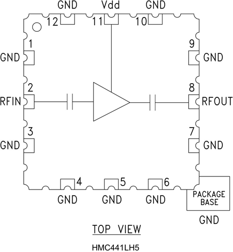
HMC441LH5結構圖
