HMC-AUH249/HMC-AUH249-SX分布點式驅動包放縮器裸片 ADI現貨交易
上線(xian)時:2018-06-26 15:41:03 搜素:2330
HMC-AUH249一款GaAs MMIC HEMT布局式驅動包擴大器裸片,在DC至43 GHz的的頻率下工作上,具代表性3 dB速率為35 GHz。 該擴大器可以提供15 dB增益控制,達到飽和狀態輸入電功率為+23 dBm,互相適用+5V線電壓24v電源工作電壓僅200 mA。
HMC-AUH249含有特好的收獲,相位紋波不在25 GHz,就能夠工作轉換高于8V的峰谷值,以致極其適用帶寬wifi、光纖傳輸溝通和自測專用設備利用。 該圖像運放電路裸片霸占面積欠佳4 mm2,以便快些整合到多心片摸塊(MCM)中。 在開關電源模塊電源模塊線,HMC-AUH249需用偏置器和片外隔直部件及旁路濾波電容。 Vgg1可調試為節元器的偏置功率,Vgg2則調試工作轉換收獲。
|
品牌
|
型號
|
描述
|
貨期
|
庫存
|
|
ADI
|
HMC-AUH249
HMC-AUH249-SX
|
調制器驅動放大器芯片,DC - 35 GHz
|
現貨
|
156
|
HMC-AUH249應用
-
光纖調制器驅動器
-
適用于測試和測量設備的增益模塊
-
點對點和點對多點無線電
-
寬帶通信和監控系統
-
雷達警報系統
HMC-AUH249優勢和特點
-
小信號增益: 15 dB
-
輸出電壓: 最高8V pk-pk
-
Psat輸出功率: +23 dBm
-
高速性能: 大于35 GHz的3 dB帶寬
-
電源電壓:
+5V (200 mA)
-
S小尺寸裸片:
2.2 x 1.80 x 0.1 mm
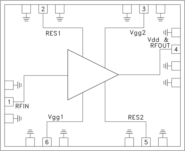
HMC-AUH249結構圖
