的行業新聞、短視頻軟件
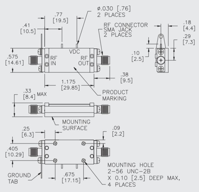
Marki的ADA-1030主要用作頻率擴展模塊,將<15 GHz合成器的頻率范圍延伸到30 GHz。主要用于實驗測試、測試和測量及其原型系統。