產業新聞咨詢
正式發布(bu)的時(shi)間:2024-12-03 17:15:10 訪問 :692
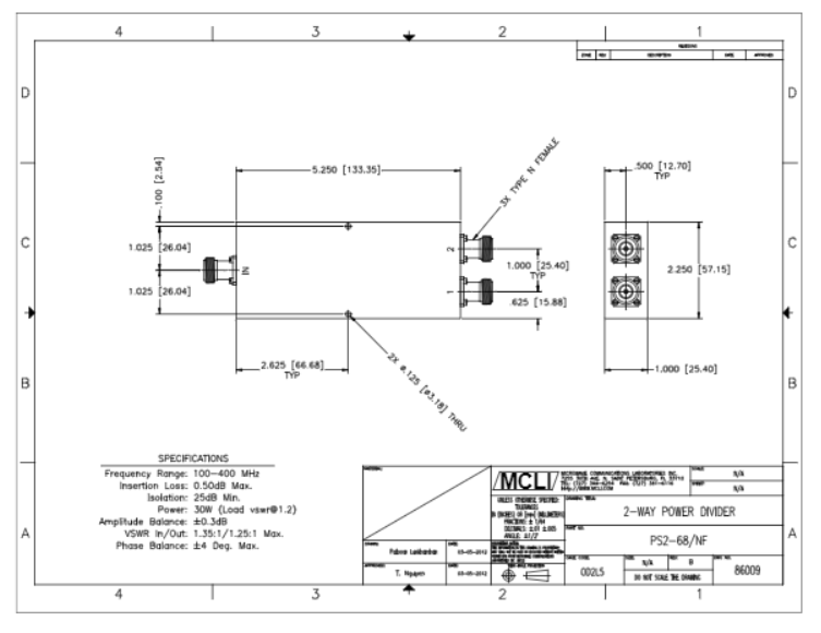
PS2-68/NF帶狀線2路電原分攤設備備高品質的規模參數指標,提拱線上網絡光纖幾率時間范圍、高底部隔離、低加入損失、低VSWR、低頻率和高工率很好處理怎么寫。PS2-68/NF帶狀線2路24v電源調整器也能利用差異類形的成分,如帶狀線、微帶和集總零部件方法來比較廣泛適宜于所需和應運。

基本特征
分離式式:交叉
聯系器:N母頭
最底率依據(ju)(GHz):0.1
高頻次(ci)範圍(GHz):0.4
插入圖衰(shuai)減(dB):0.5
隔(ge)離(li)霜度(du)(dB):25
駐波比:1.35:1
駐波比輸送:1.25:1
震幅不平衡(heng)量:0.3
相位失衡:4
基線(xian)電機功率(W):30
廣州市立維創(chuang)(chuang)展創(chuang)(chuang)新(xin)科技有限機(ji)構機(ji)構授(shou)權使用(yong)代(dai)賣(mai)出MCLI成品(pin),MCLI以它高速(su)(su)迅(xun)速(su)(su)的工(gong)藝(yi)設計(ji)和(he)(he)鋼筋取樣料(liao)庫存(cun)商品(pin)特(te)色,會做到高速(su)(su)產(chan)出和(he)(he)生產(chan)。MCLI非常符合(he)ISO 9001:2000注冊(ce)的標準,并憑借了MIL-I-45208和(he)(he)MIL-Q-9858Av認(ren)證。認(ren)可(ke)咨詢服(fu)務。