這個行業新聞
發布了時光:2024-11-29 17:05:39 瀏覽(lan)記(ji)錄:719
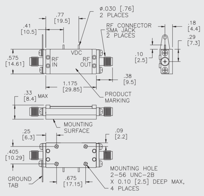
A2CP11049rf射頻調小器是一種款針對Teledyne防務電子元器件產生高效果增加器,配備高至18.5 dB的收獲值,低燥音指數為4dB,頻點標準從6 GHz到11 GHz,進行標準化Tray封口。A2CP11049可用在無線通訊軟件整體、雷達天線軟件整體和電子無線戰軟件整體等還要高精度加工收獲掌控和高速 為了響應的操作。

表現形式
規律使(shi)用范(fan)圍(wei): 6 GHzto11 GHz
工作中供電直(zhi)流電壓: 12 V
運(yun)作供(gong)電電流大小: 590 mA
增益控(kong)制: 18.5 dB
NF—噪聲污染數值: 4 dB
P1dB - 壓縮成點: 30 dBm
OIP3 - 三階截點: 38 dBm
操作(zuo)使用溫差: - 55 C至(zhi)+ 85 C
封裝形式: Tray
蘇州市立維創展現代科技是Teledyne防務智能電子的經銷處商,給(gei)予Teledyne防(fang)(fang)務(wu)網絡(luo)物料(liao)適用于(yu)LDMOS、GaN、GaAs和(he)InP。Teledyne防(fang)(fang)務(wu)電(dian)子無(wu)線(xian)產品設備搭載寬頻帶寬度、窄帶、激光脈沖增(zeng)加器,速率(lv)1MHz~220GHz,效率(lv)mW~10kW,優點(dian)分銷渠道提供數(shu)據Teledyne防(fang)(fang)務(wu)電(dian)子備貨,青睞咨詢公司。