市場新聞資訊
推出時(shi):2024-12-04 17:07:06 瀏覽網頁:682
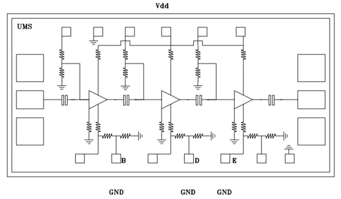
CHA2090-99F是款三級視頻自偏置寬帶網片式低噪音分貝擴大器。
CHA2090-99F實用準(zhun)則(ze)的(de)0.25μm柵極尺寸規(gui)格(ge)pHEMT生(sheng)產(chan)工(gong)藝系統,依照(zhao)基本材料上的(de)孔(kong)、氣橋和(he)智(zhi)能電子束柵幻影刻系統。
CHA2090-99F以集成電路芯片風格(ge)出具。
主要的的特點
帶寬的(de)性能17-24GHz
2.0dB相(xiang)位背景噪聲
23dB收獲,±1dB收獲平整(zheng)光滑度(du)
低電流功(gong)能(neng)表耗損(sun)率,55mA
二極(ji)管(guan)封裝圖片尺寸:2.17 x 1.27 x 0.1mm
東莞 市立維(wei)創展自動化有限的工廠(chang)授(shou)權(quan)管理(li)經售UMS微波射頻,針對于部(bu)位形號(hao)的UMS成品作為優(you)秀的現貨(huo)交易成品存儲,認可咨詢中心。

| Reference | RF Bandwidth (GHz) | Gain | Gain Flatness | Noise Figure | P-1dB OUT | Bias | Bias | Case | |
| min | max | ||||||||
| CHA2090-99F | 17 | 24 | 23 | 1 | 2 | -10 | 55 | 4.5 | Die |