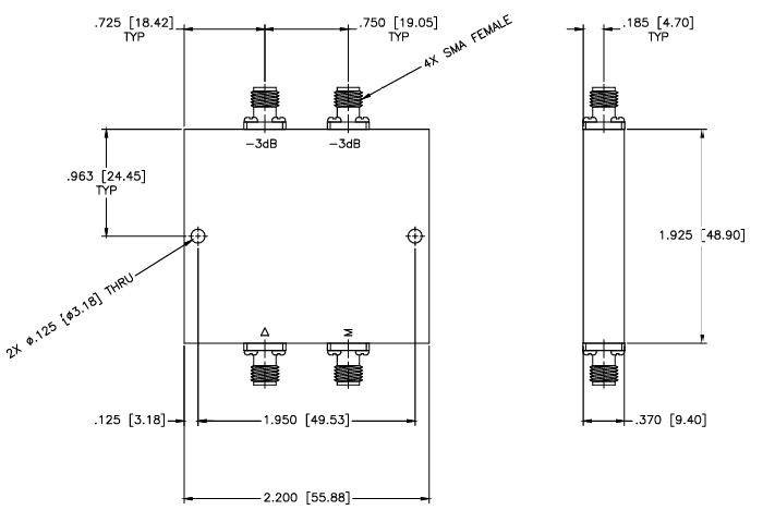
CBMV3102013寬帶調制器NRZ驅動放大器(CBM)CERNEX
2024-08-19 09:05:48
CERNEX CBMV3102013網絡上行速率熬制器NRZ驅使變大器,運用復合膜GaAs FETs能力,可以的支持自由高達到20 Gb/s統計資料速率,運行溫濕度-40°C至70°C。輸入工作輸出工作電壓更高8 Vpp,可主要適用10/12/18 GHz 50 ohms操作流程,低發抖,大電磁波上行速率。工作頻率空間30 KHz至65 GHz,好用設置,可調增加收益調節,輸入工作輸出額定功率+8Vpp,低增加收益紋波。可以的支持自由高達到40 Gb/s速率,可主要適用OC48/OC192/OC384/OC768設計,大量應主要適用網絡上行速率和SONET/SDH文件傳輸設計。