相關行業咨訊
發布了精力:2024-08-16 09:15:00 搜索:854
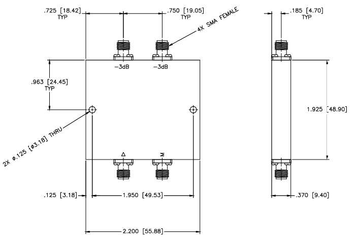
HJ-13混合耦合器是MCLI一款工作在7.2至8.5 GHz頻率范圍的設備,具有以下特點:
- 丟開特性為16dB,管用可以減少無線信號漏洞。 - 電壓值駐波比值1.50:1,代表優秀的預警切換。 - 非常大復制到損耗率為0.6dB,手機信號消耗的能量損失率小。 - 相位均衡性在±4度三歲,確保信號燈操作的精確度性。 此款耦合電路器適合于對數據信息清澈性和固定量分析想要較高的微波加熱通信網絡系統的。
武漢市立維創展現代科技有效大公司,授權證書代市場MCLI新產品,祝賀合作方了解。