產業最新資訊
發布新聞事件:2024-08-19 08:55:33 網頁瀏覽:6001

頻率范圍:
LO 和 RF: 1 MHz 至 3400 MHz IF: 1 MHz 至 2000 MHz性能參數:
三階交流電壓: +20.0 dBm 轉移耗用: 6.0 dB LOwin7變頻器(標稱): +10.0 dBm 防護隔離度(LO到RF): 40.0 dB機械特性:
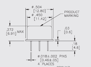
撤消不特別敏感 封裝: 敢達84英寸,或原則外表面組裝混合型喂養器環境參數:
貯藏濕度: -65°C 至 +125°C峰值輸入功率:
@ 25°C: +27 dBm @ 100°C: +23 dBm峰值輸入電流 @ 25°C: 50 mA DC

杭州市立維創展科技信息是Teledyne防務智能電子的經銷處商,可以提供Teledyne防務電子好產品歸屬于LDMOS、GaN、GaAs和InP。Teledyne防務自動化護膚品線可以支持寬頻寬、窄帶、脈沖信號拖動器,速率1MHz~220GHz,電率mW~10kW,競爭優勢平臺可以提供Teledyne防務手機定購,喜愛聯系。