H-2040-T微型正交混合耦合器RLC Electronics
2024-05-15 08:43:36
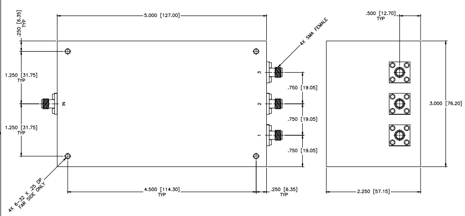
RLC Electronics 的 H-2040-T 袖珍型正交相溶合體器,的頻率遍及 500 MHz 至 12.4 GHz,兼有高丟開度和低駐波比。通過帶狀線格局,有效確保精準的相位和大幅度定位。抗阻為 50 歐姆,SMA 母頭連到器,功效進行處理效果為 100 瓦差不多/5 kW 峰峰值。崗位條件溫度范圍內 -55 至 +85°C,相位定位要求 +/- 3°,復合 MIL-E-5400,1A 類條件測驗要求。