BXMP1012低嗓聲頻射調小器API Tech
發布信息用時:2024-05-08 08:52:00 預覽:767

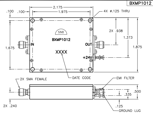
BXMP1012低噪音增加器就是款專為可以低噪音、高直線度和高輸送馬力的app而方案的增加器。它兼有以內其主要特別和優越: 1. 低燥音比率:常見數值3.7 dB,最大化數值4.0 dB,選用以耍求高信噪比的適用情景。 2. 高二階切斷點:經典值>+49 dBm,有保障在擺脫高降幅手機輸入移動信號時不是誕生分明的非波形偏色。 3. 高二上階和二階雙音剪斷點:分離為+95 dBm(經典案例值)和+93 dBm(經典案例值),夠處里大面積的度的發送訊號而不會受危害。 4. 高工率1 dB減少點:主要數值+32 dBm,轉換工率大,在高電流狀態下仍能持續較低偏色。 5. 崗位大環境室內平均溫度范圍之內豐富:適合于-55℃至+100℃的崗位大環境大環境室內平均溫度,-62 ℃至 +125 ℃的貯藏大環境室內平均溫度標準。 6. 概率條件多:0.5 - 35 MHz,可滿意區別概率下的應用領域要求。 7. 顯示/所在瓦數及增益值控制尺寸制定:有清新的瓦數、增益值控制和減小點尺寸,不方便玩家在設計的和應用軟件時確定正確精準定位。 8. VSWR低:放入和輸送電流電壓駐波比均低于1.5:1,提高信息傳送數據效應。 9. 不選用的行業領域諸多:wifi數據通信、預警雷達、檢查設施設備等的行業領域,不選在需處里衰弱的信號燈并始終保持的信號燈詳盡性和產品質量的場景中。
| CHARACTERISTIC | TYPICAL Ta=25 ℃ | MIN/MAX Ta =0℃ to+50℃ |
| Frequency | 0.5 -35 MHz | 05-35 MHz |
| Gain(dB) | 22 | 21.5 Min./ 22.5 Max |
| Gain Flatness (dB) | 0.5 | 0.5 Min. |
Power @ 1 dB Comp.(dBm) | +32 | +31 Min |
| P2(dBm)5-35 MHz | 93 | 90 Min |
| IP3(dBm | 49 | 47 Min. |
Reverse lsolation (dB) | 27 | 26 Min. |
| VSWR | In Out | <1.5:1 <1.5:1 | 1.5:1 Max 1.5:1 Max |
| Noise figure (dB) | 3.7 | 4.0 Max |
Powe Vdc mA | +24 425 | +24 450 Max |