QPA2598寬帶驅動放大器Qorvo
2024-06-04 08:48:00
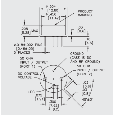
QPA2598是Qorvo研發的網絡帶寬控制擴大器,用到QGaN15 0.15um GaN on SiC技藝,比較合適用于6至12 GHz聲音頻率空間,出示2.5瓦特顯示導出工率,30%工率擴展率,-30dBc諧波可抑制,23 dB小4g網絡信號增益控制控制,16 dB大4g網絡信號工率增益控制控制。封裝類型為4x4公分QFN,比較合適控制系統模塊化,顯示回波耗損10 dB,顯示導出回波耗損8 dB,偏置VD=22 V,IDQ=55 mA,VG=-2.5 V,縱向規格尺寸4.0 x 4.0 x 0.85公分,是高耐熱性網絡帶寬軟件的人生理想確定。