職業內容
發布的準確時間:2024-05-29 08:47:00 訪問 :864

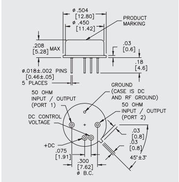
AGC1025是一款高性能薄膜壓控放大器,采用標準尺寸TO-8封裝。其主要特點包括:
- 高增益控制:21.5 dB - 智能增益管理控住控住(AGC)範圍:0至5伏,對應著增益管理控住控住範圍為+25.0 dB - 工做規律區域:5至1100 MHz,確保值一般選擇10至1000 MHz - 增益控制白皙度:±0.5 dB至±1.0 dB - AGC范圍內:25 dB至20 dB - 噪音分貝指數:5.2 dB至6.5 dB - 駐波比(SWR):少于2.0:1 - 輸出的輸出(@1 dB增益控制壓縮成):+9.0 dBm至+7.0 dBm - 加載失敗時間:低于10 μsec - 最大的直流電壓辦公工作電流值:50 mA至60 mA(辦公辦公工作電流值),0至10 mA(偏置辦公工作電流值) 互調式能上,AGC1025兼具非常好的二階和三階攔阻點。可以說 大額定瓦數值例如存放的溫差、電機外殼的溫差、直流電源輸出瓦數、微波射頻投入瓦數等。芯片封裝信心為標規格TO-8。選擇時須需要注意,該圖像功率放大器應在50歐姆程序下本職工作,并在+15 Vdc供氣輸出瓦數下能能達到作出耐腐蝕性。一些信心助于光電工作師在設計制作和應用軟件中合理的選擇AGC1025。南京市立維創展科學技術是Teledyne防務自動化的經售商,保證Teledyne防務電子技術品牌分為LDMOS、GaN、GaAs和InP。Teledyne防務光學食品線幫助寬聲音頻率段、窄帶、電脈沖拖動器,聲音頻率1MHz~220GHz,功效mW~10kW,好處方式展示 Teledyne防務電商定購,喜愛網絡咨詢。