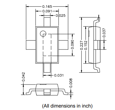
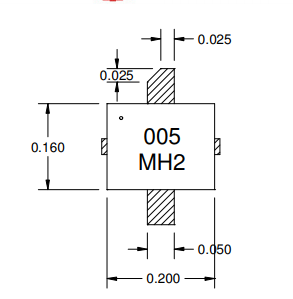
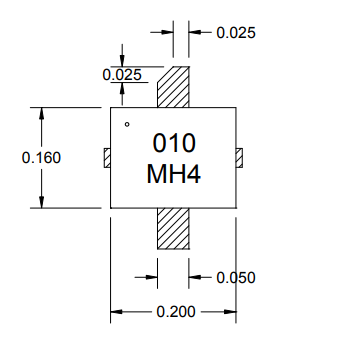
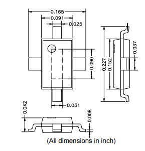
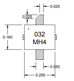
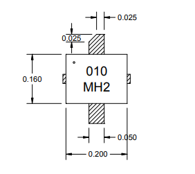
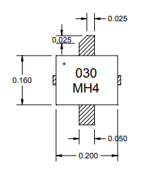
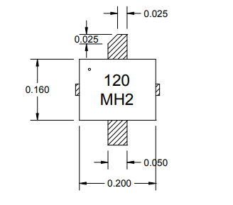
0300BB/0301BB/0010BB/0017CC/0700BB/0303LB巴倫變壓器 North Hills
2018-11-06 09:25:41
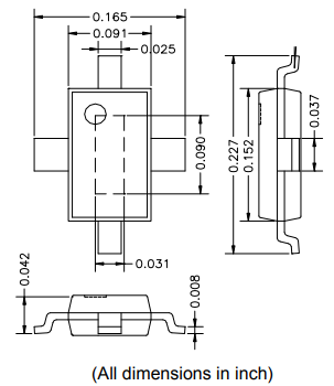
North Hills的0300BB/0301BB/0010BB/0017CC/0700BB/0303LB巴倫電抗器,大部分作用1千赫茲- 125兆赫,由不穩定平橫點電機定子和機構抽頭穩定平橫點電機定子根據的穩定平橫點環,橫向轉遞最大功率,兩人路徑篩選。北山巴倫斯精密機械市政工程低嵌入和回波自然損耗。優秀的穩定平橫點是使用自身呈對稱的結構類型來實現了的。