AM07512041WN-SN-R/AM07512041WN-00-R功率放大器芯片 代理現貨
2019-02-20 14:36:54
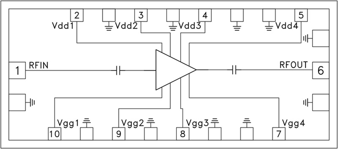
AMCOM集團的AM07512041WN-SN-R/AM07512041WN-00-R存儲芯片是一種款帶寬氮化鎵MMIC輸送拖動器。它在8.25至11.75GHz頻段有28dB的收獲控制和42dBm的輸送輸送。AM7512041WN-SN-R選擇瓷器打包封裝,可能含有活套法蘭和直微波射頻和交流電引線,主要用于加上式制做。它的收獲控制為27db,輸送輸送為41dbm,在8.25至11.75GHz頻段。