業內新聞資訊
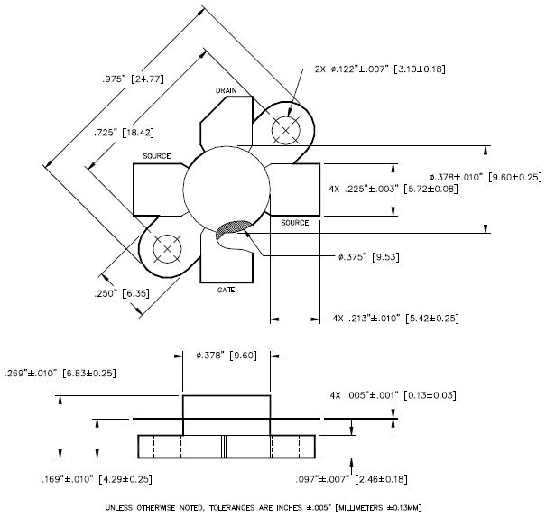
MLP7130-0805-2/MLP7130?硅限幅器PIN二極管是具有2μm(標稱)I層厚度的封裝器件。它采用成熟的二極管制造工藝制造,具有高可靠性和均勻性。該器件具有極低的熱阻(<150oC/ W),可以可靠地處理高達33 dBm CW的大RF功率電平和高達47 dBm的RF峰值入射功率(1μs脈沖寬度,0.1%占空比)在TA =25oC時。嚴