業咨詢
更新日期:2025-10-11 16:30:03 看:102
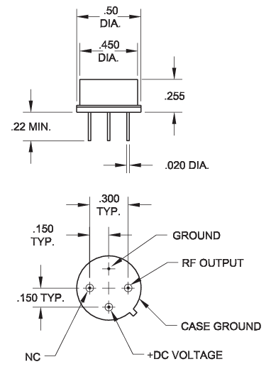
NC513/12SM是Noisecom面市的NC500SM全系列表皮貼裝(SM)白高斯環境噪聲模快,等同于于把 NC513/12建成五金殼-3(TO-8)面上貼裝封裝,以外微波射頻招生指標與通孔(drop-in)微信版本截然一致性。
主要規格
工作頻率規模:200 kHz – 2 GHz
傳輸 ENR:≈51 dB(關鍵值,50 Ω 控制系統)
寬闊度:±2.0 dB(全頻段)
變電:+12 V(30 mA max)
事情溫度表:0°C 至 +70°C(外面裝有)
存儲溫:-65°C 至 +150°C
二極管封裝:金屬件殼-3(TO-8)外表貼裝裝封,直接的焊在微帶或 PCB 上就能
工作:模塊化全部偏置線上,不同內部開關元件,對濕度/直流電壓改變不的敏感,可以 BITE、接收入聰明伶俐敏度測試軟件、頻譜儀進行校正等地方。

技術性基本特征
灰黑色高斯噪聲源傳輸:可以提供符合標準高斯數據分布的白躁音,應代替信息詳細獨立性測試英文、躁音數值預估等場景中。
完美偏置電路板:自帶偏置電路制作,不要外鏈元器件封裝,變得簡化系統制作。
抗電磁干擾能力素質:對工作溫度、電流電壓轉變 不過敏,以保證輸出精度穩定的性。
用場面
內裝考試產品(BITE):算作融入到式噪聲源源,廣泛用于系統化質量自檢與錯誤代碼判斷。
網絡信號剛度計:標定蜂窩、小編電子機械、夾絲智能電視機等機械的手機信號閱讀精準度。
進行校正器與頻譜具體測試儀:能提供規范標準嗓聲源,用在測量儀器校對與耐磨性驗正。
汽車雷達風險提示收發機(RWR):模擬網不不干擾預警,測試圖片預警雷達系統的抗不不干擾效率。
會抖 A/D 考評計算誤差測試軟件:評價變位系數更換器的明確噪聲污染與運動功能。
系列的差距
NC500SM 國產:工作頻率的范圍 200 kHz 至 500 MHz/1 GHz/2 GHz 等,ENR 31 dB,適宜于低工率標準情況。
NC510SM 產品系列:次數范圍之內 200 kHz 至 2 GHz(如 NC513/12SM),ENR 51 dB,提高極高工作功率輸入輸出,滿足了高精準度測試儀需要。
Noisecom用作餐飲行業最前沿品牌標志,以原機品級確保,相輔相成售價之間的競爭能力,是建筑項目師在高頻應用軟件中的良好挑選。佛山市立維創展網絡是Noisecom的代理權商,其主要提供數據Noisecom的穩壓管和噪音分貝源國產護膚品,護膚品原版機原版廠,成本優勢,質量水平確保,從而有些護膚品款型原版機貨源,歡迎會咨詢中心!!