HMC7149/HMC7149-SX氮化鎵(GaN) MMIC耗油率調小器 ADI期貨經銷商
發部的時(shi)間:2018-06-22 16:02:59 瀏覽網頁:2370
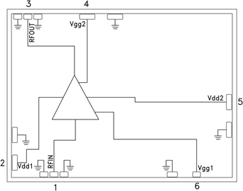
HMC7149就是一款10W氮化鎵(GaN) MMIC電率調大器,工作任務速度時間范圍為6至18 GHz。 平常情況下,該調大器打造20 dB的小無線信號燈增益值、+40 dBm的飽和狀態輸送的電率或是+39.5 dBm的輸送的IP3(每無線信號燈音+28 dBm輸送的電率時)。 運用+28V直流開關電源開關電源時,HMC7149的耗電為680 mA。 RF I/O輸入至50 Ω,會便捷ibms到多存儲存儲集成電路芯片板塊(MCM)中。 各個組合件功能數據統計均能夠組合件鏈接至高度為1.02 mm (40 mil)的CuMo質粒載體的存儲存儲集成電路芯片獲取一個,而眾多直徑不低于為1.0 mil的焊線鏈接存儲存儲集成電路芯片至50 ?氧化反應鋁網絡傳輸各線路。
|
品牌
|
型號
|
描述
|
貨期
|
庫存
|
|
ADI
|
HMC7149
HMC7149-SX
|
10 W GaN MMIC功率放大器,6 - 18 GHz
|
現貨
|
100
|
HMC7149應用軟件
HMC7149優勢和特點
-
高Psat: +40 dBm
-
Psat時的功率增益: +10 dB
-
高輸出IP3: +39.5 dBm
-
小信號增益: 20 dB
-
電源電壓: +28V (0.680 A)
-
50 Ω匹配輸入/輸出
-
芯片尺寸: 3.4 x 4.5 x 0.1 mm2
HMC7149結構圖
