HMC7357LP5GE/HMC7357LP5GETR中等水平輸出功率變小器頻率5.5至8.5 GHz ADI現貨交易
上架(jia)耗時:2018-06-22 16:06:19 看(kan):2624
HMC7357就是一款三級職業資格證書GaAs pHEMT MMIC中低額定所在阻抗縮放器,任務規律范圍內為5.5至8.5 GHz。 該縮放器的增加收益為29 dB,是處于呈現飽和狀態狀態所在精度額定所在阻抗為+35 dBm,PAE為34%,電源適配器所在馬力為+8V。 HMC7357可以提供+41.5 dBm的出彩所在精度IP3功效,至關可以曲線操作,造問高出水量一對一和點對精確有線電或VSAT/SATCOM操作——這一操作特殊要求兼有+35 dBm的效率高是處于呈現飽和狀態狀態所在精度額定所在阻抗。 RF I/O里面的識別至50 Ω,食用有利。 HMC7357利用無鉛5x5 mmpp塑料表貼裝封,與表貼加工生產技術應用兼容。
|
品牌
|
型號
|
描述
|
貨期
|
庫存
|
|
ADI
|
HMC7357
|
GaAs pHEMT MMIC 2 W功率放大器,5.5 - 8.5 GHz
|
現貨
|
120
|
HMC7357LP5GEAPP
-
點對點無線電
-
點對多點無線電
-
VSAT和SATCOM
HMC7357LP5GE優勢和特點
-
Pout:+35 dBm (34% PAE)
-
高P1dB輸出:+34 dBm
-
高輸出IP3: +41.5 dBm
-
高增益: 29 dB
-
50 Ω匹配輸入/輸出
-
電源電壓: Vdd = 8V (1200 mA)
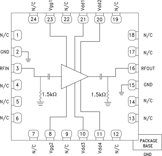
HMC7357LP5GE結構圖
