HMC7441/HMC7441-SX三階段GaAs pHEMT輸出功率放小器 ADI現貨黃金POS機分銷商
上架時候(hou):2018-06-21 15:39:47 瀏覽訪(fang)問(wen):2801
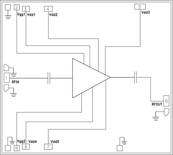
HMC7441是一個款三階段GaAs pHEMT打出工作效率圖像運放電路,任務頻繁時間范圍為27.5至31 GHz。 該圖像運放電路的增加收益為23 dB,趨于穩定打出打出工作效率為+34 dBm,PAE為25%,電讀取耗油率為6V。 HMC7441提高+38 dBm的很棒打出IP3效果,相當更適合線性網絡APP,諸如Ka頻段VSAT、高儲存量一對一或點對精確wifi手機電——這一類APP必須具+34 dBm的效率趨于穩定打出打出工作效率。 RF I/O隔直并適合至50 Ω,就可以更方便集成系統到多處理基帶芯片接口(MCM)中。 擁有統計數據均根據50 Ω自測工裝夾具設計中的處理基帶芯片測量,該工裝夾具設計根據兩條直徑不低于為0.025mm (1 mil)、的長度為0.31 mm (12 mil)的焊線連入。
|
品牌
|
型號
|
描述
|
貨期
|
庫存
|
|
ADI
|
HMC7441
HMC7441-SX
|
GaAs pHEMT MMIC 2 W功率放大器,27.5 - 31 GHz
|
現貨
|
36
|
操作
-
點對點無線電
-
點對多點無線電
-
VSAT和SATCOM
-
軍事和太空
優(you)質和特征
-
飽和輸出功率:
++34 dBm (25% PAE)
-
高輸出IP3: +38 dBm
-
高增益: 23 dB
-
直流電源: +6V (1,000 mA)
-
無需外部匹配
-
芯片尺寸: 3.18 x 2.84 x 0.1 mm
結構(gou)設(she)計(ji)圖
