ADMV7710-SX/ADMV7710CHIPS融合式 E 頻段砷化鎵 (GaAs)徽波片式融合電路板 ADI期貨
發布新聞時間段:2018-06-05 15:46:08 訪問 :7791
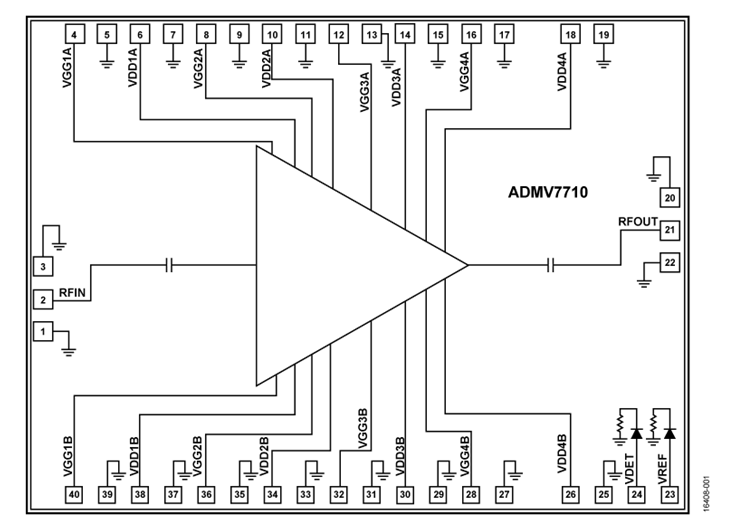
ADMV7710-SX/ADMV7710CHIPS 是一個款融合化式 E 頻段砷化鎵 (GaAs) 贗晶高電子器材遷徙率遷移 (pHEMT)、微波網絡通信單面融合化電路設計 (MMIC)、中等偏上功效放縮器,具備有片內溫差補充功效檢查器,任務次數使用范圍圖為 71 GHz 到 76 GHz。ADMV7710 可能夠 4 V 電源模塊給出 24 dB 的增加收益控制、28 dBm 的打出(1 dB 再壓縮)同時 29 dBm 的飽和打出功效(20% 功效附帶高效率)。ADMV7710 塑造了桌越的非線性度,有時候開始了性能指標模式優化,很可以 E 頻段網絡通信和高使用量wifiwifi反程wifiwifi電模式。要借助放縮器配置單和高增加收益控制,該元件被選為無線天線前的最好一級通過成績預警放縮的比較好決定。全部的信息均由任何端口設置一根 3 mil 寬 × 0.5 mil 厚 × 7 mil 長的鍵合帶相連的處理器(靠近 50 Ω 測驗固件內)開始信息采集。ADMV7710 以 40 焊盤裸片(處理器)的表現形式給出,可在 ?55°C 到 +85°C 的溫差使用范圍圖內任務。
|
品牌
|
型號
|
描述
|
貨期
|
庫存
|
|
ADI
|
ADMV7710-SX/ADMV7710CHIPS
|
具有功率檢測器的 71 GHz 到 76 GHz、1 W E 頻段功率放大器
|
現貨
|
56
|
ADMV7710-SX/ADMV7710CHIPS 應用
-
E 頻段通信系統
-
高容量無線回程無線電系統
-
測試和測量
ADMV7710-SX/ADMV7710CHIPS 結構圖

ADMV7710-SX/ADMV7710CHIPS 優勢和特點
-
增益:24 dB(典型值)
-
1 dB 壓縮的輸出功率:28 dBm(典型值)
-
飽和輸出功率:29 dBm(典型值)
-
輸出 3 階交調點:34 dBm(典型值)
-
輸入回波損耗:18 dB(典型值)
-
輸出回波損耗:10 dB(典型值)
-
直流電源:4 V,800 mA
-
無需外部匹配
-
裸片尺寸:2.999 mm × 3.999 mm × 0.05 mm