HMC713LP3ETR/HMC713LP3E多數檢波器/調整器 ADI現貨平臺
發布的時光:2018-07-09 12:01:46 預覽:6927
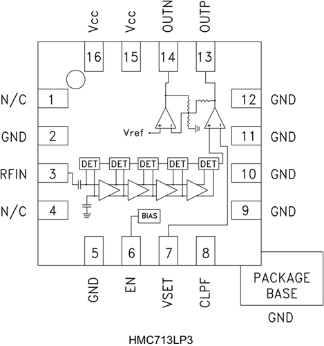
HMC713LP3E常用多數檢波器/調控器非常的符合將RF訊號(50 MHz至8000 MHz的頻帶寬度空間內)的工作電阻在導出端轉變成為與搜索工作電阻正比的直流電電阻。 HMC713LP3E采取接連解壓縮高技術,可在寬搜索的頻帶寬度空間內帶來了兼備高量測導致精度的54 dB動態圖空間。 隨著時間的推移搜索訊號加入,接連縮放器正漸漸開啟過剩,然而轉成成精密的常用多數數學函數是值。 幾種產品檢波器導出求和、轉變成成電阻域并緩解安裝驅動OUTP導出。
若您有所有的異議,請認識.我立維創展,.我會盡最主要勤奮謝謝您的。
在檢則模式,下,OUTP引腳連結到VSET顯示,提拱17 mV/dB標稱對數計算斜率和-68 dBm截距。
HMC713LP3E也應該在把控好器的傳統模式下施用,在該的傳統模式下向VSET引腳釋放其他直流電壓以確保AGC或APC回饋環路。
|
品牌
|
型號
|
描述
|
貨期
|
庫存
|
|
ADI
|
HMC713LP3ETR
HMC713LP3E
|
54 dB對數檢波器/控制器,采用SMT封裝,50 - 8000 MHz
|
現貨
|
170
|
HMC713LP3ETR操作
-
蜂窩基礎設施
-
WiMAX, WiBro和amp; LTE/4G
-
電源監控和控制電路
-
接收機信號強度指示(RSSI)
-
蜂窩基礎設施
-
自動增益和功率控制
HMC713LP3ETR優勢和特點
-
寬動態范圍: 高達54 dB
-
高精度: ±1 dB (54 dB)
范圍高達2.7 GHz
-
快速輸出響應時間
-
電源電壓: +2.7至+5.5V
-
省電模式
-
出色的溫度穩定性
-
16引腳3x3 mm SMT封裝: 9mm2
HMC713LP3ETR結構圖
