HMC611LP4/HMC611LP4E功效監視對數計算檢波器 ADI代理權現貨平臺
上傳時長:2018-07-09 13:57:07 閱(yue)讀:7290
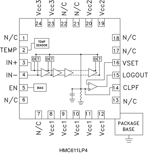
HMC611LP4(E)對數計算計算檢波器/操作器將搜索商品詳情頁RF數據信息改變為內容輸出端成比例的DC電阻值。HMC611LP4(E)通過陸續縮減拓撲空間結構空間結構,供應寬搜索頻點條件內的最高動態的條件和改變準確度。跟著搜索電機功率不斷增加,陸續變大器急劇進來供大于求,而使導出精確性的對數計算計算數學函數接近值。
若您有絲毫疑點,請保持聯系.我立維創展,.我會盡非常大埋頭苦干為您產品。
一連串作品mm2律檢波器輸出求和、轉移成電流線電壓域并緩沖區安裝驅動LOGOUT輸出。在檢則的方式下,LOGOUT引腳短路等問題到VSET鍵入并給出-25mV/dB的標稱常用對數斜率和18 dBm的截距(22 dBm,? ≥ 5.8 GHz)。HMC611LP4(E)也可在管理器的方式下運行,向VSET引腳加入的內部電流線電壓以形成AGC或APC意見反饋環路。
|
品牌
|
型號
|
描述
|
貨期
|
庫存
|
|
ADI
|
HMC611LP4
HMC611LP4E
|
對數檢波器控制器,采用SMT封裝,0.001 - 10.0 GHz
|
現貨
|
151
|
HMC611LP4軟件
-
蜂窩/PCS/3G
-
WiMAX、WiBro、WLAN、
固定無線和雷達
-
功率監控和控制電路
-
接收機信號強度指示(RSSI)
-
自動增益和功率控制
HMC611LP4優勢和特點
-
寬動態范圍:高達63 dB
-
高精度:±1 dB
54 dB范圍高達8 GHz
-
電源電壓:+5V
-
出色的溫度穩定性
-
緩沖溫度傳感器輸出
-
緊湊型4x4mm無引腳SMT封裝
HMC611LP4結構圖
