的行業快訊
發(fa)布新(xin)聞耗時(shi):2018-07-05 10:41:08 查詢:2529
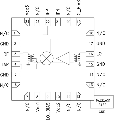
HMC786LP4E是一款集成LO放大器的高動態范圍無源MMIC混頻器,采(cai)用4x4 SMT QFN封裝,工(gong)作(zuo)頻率范(fan)圍為0.7至(zhi)1.1 GHz。 LO驅(qu)動為0 dBm時(shi),3G和(he)4G GSM/CDMA應用具有+40 dBm的出(chu)色輸(shu)入IP3下(xia)變(bian)頻性能。 采(cai)用1dB (+25 dBm)輸(shu)入壓縮時(shi),RF端(duan)口支持(chi)各種輸(shu)入信號電平(ping)。 轉換(huan)損耗為7.5 dB(典型值)。 高達250 MHz的IF頻率響應可滿足GSM/CDMA發射或接收頻率計劃(hua)要求(qiu)。 立維(wei)創展HMC786LP4E針對0.7 - 1.1 GHz RF頻段高端(duan)LO頻率計劃(hua)進行了優化,并與(yu)HMC686LP4E引腳兼(jian)容。
| 品牌 | 型號 | 描述 | 貨期 | 庫存 |
| ADI |
HMC786LP4E HMC786LP4ETR |
集成LO放大器的BiCMOS混頻器,0.7 - 1.1 GHz | 現貨 | 105 |
HMC786LP4E應用
HMC786LP4E優勢和特點
