HMC666LP4E/HMC666LP4ETR高動向範圍無源MMIC混頻器 ADI現貨交易
正式發布的(de)時間:2018-07-05 10:48:57 搜索:7374
HMC666LP4(E)是一種款高各式各樣的范圍無源MMIC混頻器,模塊化LO變小器,按照4x4 SMT QFN封裝,辦公頻點為3.1 - 3.9 GHz。 該元器面向WiMAX和統一無線路由使用出示+31 dBm的突出錄入IP3性能方面以去下變頻柜,LO安裝驅動為0 dBm。 LO服務器端口面向同價位LO使用SEO。
RF端口處的填寫1 dB再壓縮為+23 dBm,可兼容寬領域填寫手機信號電平。 改變損失典型的數值9 dB。 該電子元器件的DC至800 MHz IF平率回復能夠滿足WiMAX放射或傳輸平率設計需求。 立維創展HMC666LP4(E)與HMC688LP4(E)引腳兼容,后面一種就是款2.0 - 2.7 GHz混頻器,模塊化LO變大器。
|
品牌
|
型號
|
描述
|
貨期
|
庫存
|
|
ADI
|
HMC666LP4E
HMC666LP4ETR
|
集成LO放大器的SMT BiCMOS混頻器,3.1 - 3.9 GHz
|
現貨
|
235
|
運用
-
WiMAX/4G與固定無線
-
基礎設施與中繼器
-
發射機與接收機
-
測試和測量設備
HMC666LP4E優勢和特點
-
高輸入IP3: +31 dBm
-
低轉換損耗: 9 dB
-
低LO驅動: 0 dBm
-
上變頻與下變頻應用
-
針對低端LO輸入優化
-
24引腳、4x4mm SMT封裝: 16mm2
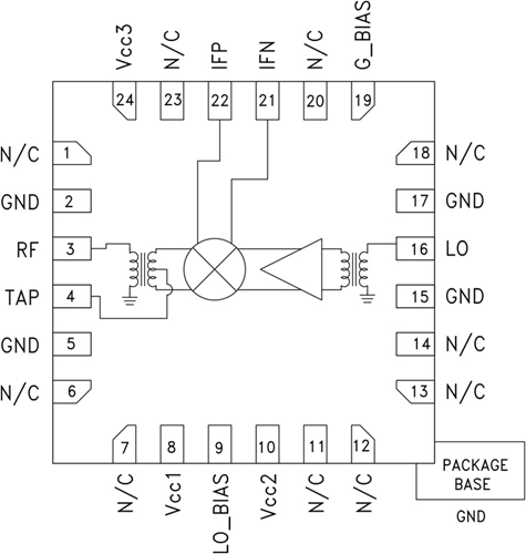
HMC666LP4E結構圖
