HMC1113LP5E/HMC1113LP5ETR表貼二極管封裝省油的suv型下變頻柜器 ADI期貨
發布公告(gao)時間(jian)間(jian)隔:2018-07-03 10:16:58 查看:2468
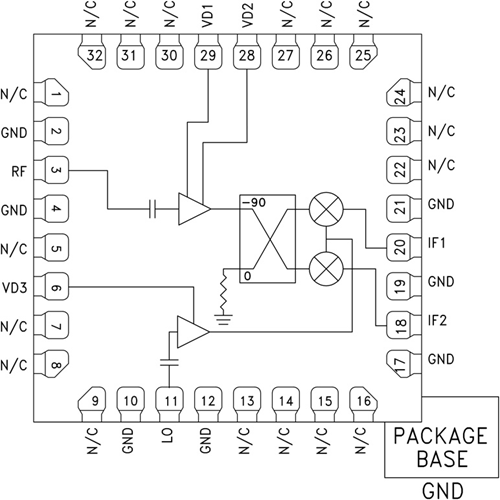
HMC1113LP5E是一個款緊促型GaAs MMIC I/Q下調頻式器,所主要采用無鉛5 x 5 mm低剛度注塑工藝塑料管表貼芯片封裝。 該電子元器出示12 dB的小走勢轉化收獲、1.8 dB的嗓聲指數公式和25 dBc的鏡象軟件減弱能力。 HMC1113LP5E所主要采用LNA,后接由LO保護器變成器能夠的鏡象軟件減弱混頻器。 該鏡象軟件減弱混頻器會使LNA后需不需要運用濾波器,并可除掉鏡象軟件幾率下的熱嗓聲。 它擁有I/Q混頻器轉換,需要備考 外部90°融合型電子元器安全使用選澤需要備考邊帶。 HMC1113LP5E為融合型鏡象軟件減弱混頻器下調頻式器配件的小用于電子元器,它需不需要線焊,就可以運用表貼加工制造技巧。
|
品牌
|
型號
|
描述
|
貨期
|
庫存
|
|
ADI
|
HMC1113LP5E
HMC1113LP5ETR
|
GaAs MMIC I/Q下變頻器,10 - 16 GHz
|
現貨
|
257
|
HMC1113LP5E操(cao)作
-
點對點和點對多點無線電
-
軍用雷達、EW和ELINT
-
衛星通信
HMC1113LP5E優勢和特點
-
轉化增加收益:12 dB
-
鏡象治理和改善:25 dBc
-
LO至RF隔離霜:45 dB
-
躁聲公式:1.8 dB
-
IP3:1 dBm
-
32引腳5 x 5 mm SMT封裝類型
HMC1113LP5E結構圖
