領域房產資訊
公布的事件:2018-07-03 10:19:31 搜索(suo):1933
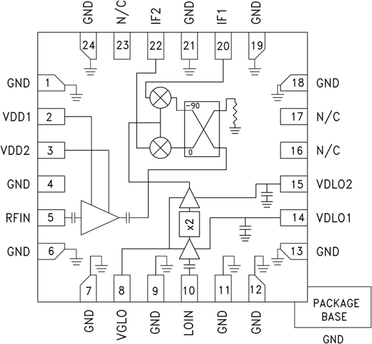
HMC1065LP4E是一款緊湊型GaAs MMIC鏡像抑制低噪聲變頻器,采用符合RoHS標準的無鉛SMT封裝。 該器件提供13 dB的小信號轉換增益,17 dBc的鏡像抑制和-2 dBm輸入IP3。 HMC1065LP4E利用RF LNA和由有源X2倍頻器驅動的I/Q混頻器工作。 它具有IF1和IF2混頻器輸出,所需外部90°混合型器件用于選擇所需邊帶。 I/Q混頻器拓撲結構可以減少無用邊帶濾波。立維創展 ADI期貨 HMC1065LP4E為混合型鏡像抑制(zhi)下變頻器(qi)組件(jian)的小型替代器(qi)件(jian),它無需線(xian)焊,可(ke)以使用表貼(tie)制(zhi)造(zao)技術。
| 品牌 | 型號 | 描述 | 貨期 | 庫存 |
| ADI |
HMC1065LP4E HMC1065LP4ETR |
GaAs MMIC I/Q下變頻器,27 - 34 GHz | 現貨 | 178 |
HMC1065LP4E應用(yong)
HMC1065LP4E優勢和特點
HMC1065LP4E結構圖
