HMC383LC4/HMC383LC4TR專用MMIC帶動放縮器 ADI現貨平臺經銷商商
頒布事件:2018-06-29 13:42:06 瀏覽網頁:2345
HMC383LC4就是一款常用性GaAs PHEMT MMIC驅程調大器,選擇遵循RoHS標的無引腳SMT封裝。 該調大器選擇+5V單24v電源,收獲為15 dB,趨于穩定操作效率為+18 dBm。 在全操作頻段內具不符的收獲和模擬輸出操作效率,從而可在多條無線wifi電頻段安全的使用一位常用性的驅程器/LO調大器。 隔直RF I/O相配至50 Ω,安全的使用有利。 HMC383LC4選擇遵循RoHS標的無引腳4x4 mm 封裝,兼容面貼裝加工制造技能。
|
品牌
|
型號
|
描述
|
貨期
|
庫存
|
|
ADI
|
HMC383LC4
HMC383LC4TR
|
中等功率放大器SMT,12 - 30 GHz
|
現貨
|
337
|
HMC383LC4應用
-
點對點無線電
-
點對多點無線電和VSAT
-
測試設備和傳感器
-
HMC混頻器LO驅動器
-
軍事和太空
HMC383LC4優勢和特點
-
增益: 15 dB
-
飽和輸出功率: +18 dBm
-
輸出IP3: +25 dBm
-
單正電源:
+5V (100 mA)
-
50 Ω匹配輸入/輸出
-
符合RoHS標準的4x4 mm封裝
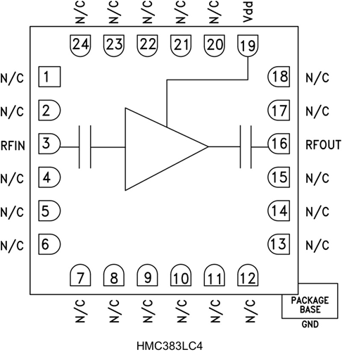
HMC383LC4結構圖
