HMC498LC4/HMC498LC4TR高新動態面積工作功率圖像放大儀 ADI現貨黃金
發布了期限:2018-06-29 13:47:59 瀏覽記錄:2308
HMC498LC4不是款高信息依據GaAs PHEMT MMIC高的英語效率調大器,采取無引腳“無鉛”SMT裝封。 該調大器極具17至24 GHz的操作依據,出示22 dB增益值、+26 dBm飽和狀態效率和23% PAE(+5V開關電源的電壓)。 HMC498LC4噪聲污染污染指數為4 dB,打出IP3為+36 dBm(舉例值),能作作低噪音污染污染web前端以其驅程調大器。 隔直RF I/O識別至50 Ω,用簡便。 HMC498LC4需線焊,行用表貼加工工藝性技術性。
|
品牌
|
型號
|
描述
|
貨期
|
庫存
|
|
ADI
|
HMC498LC4
HMC498LC4TR
|
中等功率放大器,采用SMT封裝,17 - 24 GHz
|
現貨
|
269
|
HMC498LC4運用
-
點對點無線電
-
點對多點無線電和VSAT
-
測試設備和傳感器
-
軍用最終用途
HMC498LC4優勢和特點
-
輸出IP3: +36 dBm
-
飽和功率: +26 dBm (23% PAE)
-
增益: 22 dB
-
+5V(250 mA)電源
-
50 Ω匹配輸入/輸出
-
符合RoHS標準的4x4 mm SMT封裝
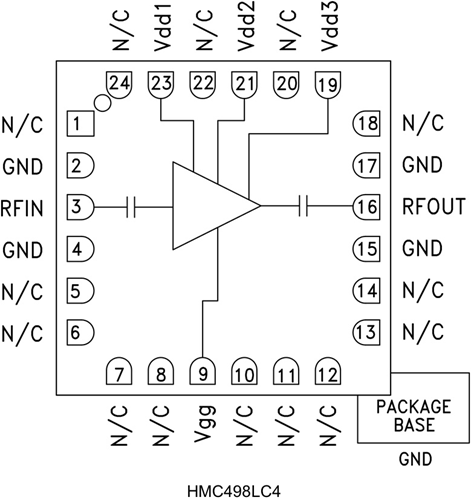
HMC498LC4結構圖
