HMC633LC4/HMC633LC4TR帶動圖像電壓放大器概率5.5至17 GHz ADI外盤
發部用時:2018-06-29 11:41:51 打開網頁:1854
HMC633LC4都是款GaAs PHEMT MMIC驅動軟件拖動器,進行無鉛4x4 mm表貼工業陶瓷裝封,作業速度范圍圖為5.5至17 GHz。 該拖動器帶來多達30 dB的增益控制控制、+30 dBm輸送IP3及+23 dBm的輸送電功率(1 dB增益控制控制壓縮視頻時),能耗為180 mA(+5V電源適配器)。
HMC633LC4能夠擴大器十分可以做工作頻繁空間為5.5至17 GHz的紅外光無線網電app,交流電壓可偏置為+5V (130 mA)以帶來2 dB較低增益控制并緩解PAE。 隔直擴大器I/O搭配好50 Ω,就不需要內部搭配好構件。
|
品牌
|
型號
|
描述
|
貨期
|
庫存
|
|
ADI
|
HMC633LC4
HMC633LC4TR
|
驅動放大器,采用SMT封裝,5.5 - 17 GHz
|
現貨
|
269
|
app
-
點對點通信wifi手機電
-
點對多方向無線路由電和VSAT
-
混頻器LO帶動器
HMC633LC4優勢和特點
-
增益: 30 dB
-
P1dB: +23 dBm
-
飽和功率:+23.8 dBm (24% PAE)
-
電源電壓: +5V (180 mA)
-
50 Ω匹配輸入/輸出
-
24引腳4x4mmSMT陶瓷封裝: 16mm2
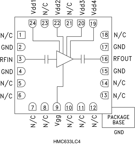
HMC633LC4結構圖
