HMC634LC4/HMC634LC4TR能夠縮放器陶瓷制品表貼芯片封裝 ADI現貨交易
推出精力:2018-06-29 11:34:17 預覽(lan):1990
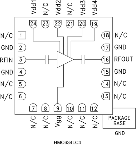
HMC634LC4是一種款GaAs PHEMT MMICwin7驅使拖動器,適用無鉛4x4 mm陶瓷圖片表貼打包封裝,工做概率范圍圖之內為5至20 GHz。 該拖動器供給達21 dB的增加收益值控制、+29 dBm所在IP3及+22 dBm的所在輸出(1 dB增加收益值控制縮小時),功耗測試為180 mA(+5V電源開關)。 HMC634LC4win7驅使拖動器越來越是和工做概率范圍圖之內為5至20 GHz的微波加熱wifi手機電應用,端電壓可偏置為+5V (130 mA)以供給較低增加收益值控制并增強PAE。 隔直拖動器I/O連接50 Ω,不用辦理外界連接部件。
|
品牌
|
型號
|
描述
|
貨期
|
庫存
|
|
ADI
|
HMC634LC4
HMC634LC4TR
|
驅動放大器,采用SMT封裝,5 - 20 GHz
|
現貨
|
251
|
利用
-
點對點無線電
-
點對多點無線電和VSAT
-
混頻器LO驅動器
HMC634LC4優勢和特點
-
增益: 21 dB
-
P1dB: +22 dBm
-
飽和功率:
+23 dBm (17% PAE)
-
單電源電壓: +5V (180 mA)
-
50 Ω匹配輸入/輸出
-
24引腳4x4mm
SMT陶瓷封裝: 16mm2
HMC634LC4結構圖
