制造行業內容
發布新聞準確時間:2019-12-23 14:35:39 瀏覽訪問:2181
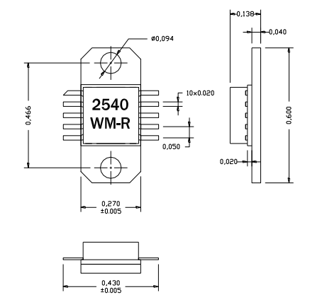
AM254038WM-EM-R是AMCOM的砷化鎵HiFET MMIC功率放大器系列的一部分。這是兩個階段GaAs-HIFET-PHEMT-MMIC功率放大器。它與50歐姆的輸入和輸出完全匹配,覆蓋2.4到4.4赫茲。該MMIC具有18dB的增益和38dBm的12V輸出功率射頻和直流引線位于封裝的較低層,以便于將低成本的SMT組裝到PC板上。因為直流電功率大散熱,我們強烈建議將這些設備直接安裝在金屬散熱片上。AM254038WM-FM-R型AM254038WM-BM-R是否安裝在鍍金銅法蘭托架上。EM包有相同的封裝為FM封裝,采用直引線和銅/鎢法蘭代替銅法蘭。在那里是法蘭上的兩個螺孔,便于擰到金屬散熱器上。這個MMIC是符合RoHS的。

AM254038WM-EM-R選用
PCS信號塔
GPS利用
MMDS
無線網絡廣域網中繼器
10V–13V軟件應用
AM254038WM-EM-R決定性基本參數
概率:2.5-4GHz
增加收益:18
P1dB(DBM):38
PSAT(DBM):39
轉化率:30
VD(V):12
成都市立維創展新材料技術是AMCOM裝修公司總加盟代理,其關鍵微波加熱寬帶網絡貨品包擴微波射頻硫化鋅管、MMIC工作效率圖像運放電路、搭配圖像運放電路組件、寬帶網絡圖像運放電路、高工作效率圖像運放電路組件、帶RF和DC對接器的高工作電壓增加器引擎和低燥音增加器,工作電壓增加器,啟閉,衰減器,移相器各類上/下方直流變頻空調器的來樣加工。