該行業新聞
發表時段:2019-12-24 13:59:45 閱讀:1837
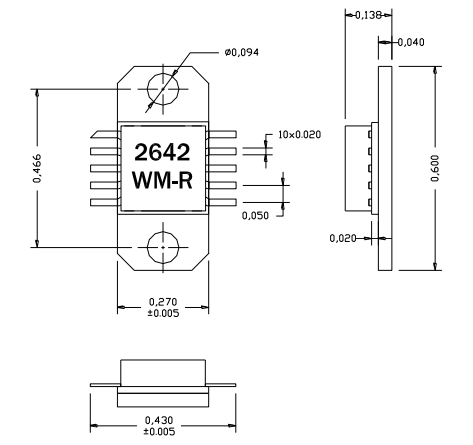
AM264240WM-EM-R是AMCOM的砷化鎵HiFET MMIC功率放大器系列的一部分。這是兩個階段GaAs-HIFET-PHEMT-MMIC功率放大器。AM264240WM-EM-R在輸入和輸出端都與50歐姆完全匹配,覆蓋2.6歐姆至4.2GHz。它有20dB的增益和40dBm的14V輸出功率射頻和直流引線位于封裝的較低層,以便于將低成本的SMT組裝到PC板上。因為直流電功率大散熱,我們強烈建議將這些設備直接安裝在金屬散熱片上。AM264240WMFM-R是安裝在鍍金銅法蘭托架上的AM264240WM-BM-R。EM包有相同的封裝外形為FM封裝,采用直引線和銅/鎢法蘭代替銅法蘭是法蘭上的兩個螺孔,便于擰到金屬散熱器上。這個MMIC是符合RoHS的。

AM264240WM-EM-R技術應用
PCS左左蜂窩信號塔
GPSapp
WiMAX
WLL
10V–15V選用
AM264240WM-EM-R重要性參數設置
概率:2.6-4.2GHz
收獲:20
P1dB(DBM):39
PSAT(DBM):40
有效率:35
VD(V):14
南京市立維創展高新科技是AMCOM工廠總代銷商,其核心微波頻射移動寬帶企業產品以及頻射多晶體管、MMIC最大工率調大器、混合型喂養調大器信息模塊圖片、帶寬調大器、高最大工率調大器信息模塊圖片、帶RF和DC接器的高工作電率放縮器模塊電源和低環境噪聲放縮器,工作電率放縮器,按鈕開關,衰減器,移相器或者上/后面變頻式器的制作。