相關行業房產資訊
上線時間:2019-12-11 11:23:25 網頁瀏覽:2025
HMC413是ADI的高效、性價比最高率GaAs InGaP異質結雙旋光性氯化鈉晶體管MMIC工作功率變大器,該變大器采用控制成本預算、漆層貼裝16引腳裝封,會有出現支撐柱以改變RF和散熱器實用功能,頻繁為1.6GHz - 2.2GHz,以及選則非常少的外面元器件銷售22 dB增益控制,呈現飽和狀態工作電壓為+29.5 dBm,電原相電壓為+5V。還供選擇用3.6V開關電源上班,HMC413的綜合運用依據具有蜂窩/PCS/3G、攜便式機械設備和依據裝置、有線本地網環路等

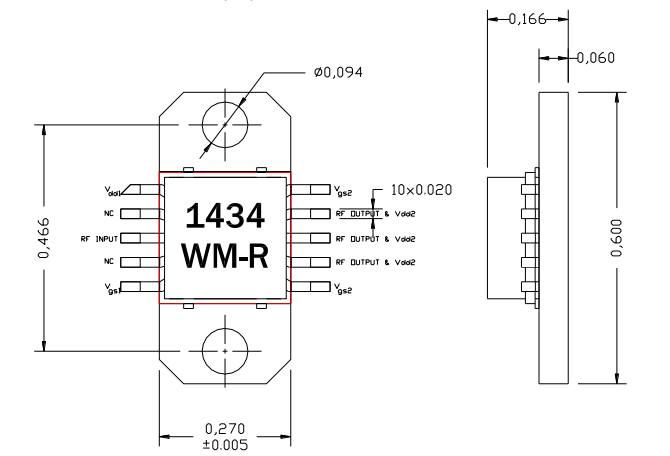
AM143438WM-EM-R功效拖動器是AMCOM的砷化鎵HiFET MMIC,該MMIC是2級GaAs-pHEMT輸出放小器,偏置電阻值為10-14V,級間配備無線網絡覆蓋住1.4到3.4GHz,以生產較大 的資源帶寬便捷性。譬如,某個能作的鑒定板有超過20噪音分貝增益控制,38dBm是處于飽和狀態讀取輸出超過1.5至1.8GHz頻率段在12V。別2.0到3.0ghz的分析評估板在12V時完成19dB收獲和38dBm輸出精度電機功率。直流電源引線與看做接地系統的封裝下層社會共面,是為了當低總成本的漆層貼裝制做到PC板。
AM143438WM-EM-R的巧用基本要素屬于:PCS通信基站、GPS選用、MMDS、wifi手機無線局域網中繼器和14V借助等
AM143438WM-EM-R關鍵參數設置
工作頻率:1.5GHz - 1.8GHz
收獲:20.5
P1dB(dBm):37.5
PSAT(dBm):38
速率:30
VD(V):12
AMCOM是英國專業電機功率擴大器集成ic大型廠,在時代國際頂級度雖遠不如ADI產品,但也是國際高知名度大機構,AM143438WM-EM-R圖像運放電路與HMC413擴大器的率和用于領域行業達到,都可以說這兩款調小器是可同學之間用于的,因為在價位上卻懸殊成千上萬,AM143438WM-EM-R調小器非常具有成本主要優勢,高質量有效穩定,佛山市立維創展新材料技術是AMCOM與ADI子公司的POS機代理供應商商,提供了AMCOM與ADI的微波射頻元配件和電源芯片,歡迎大家諮詢。