業手游資訊
披露耗時:2019-11-12 11:47:19 閱讀:2072
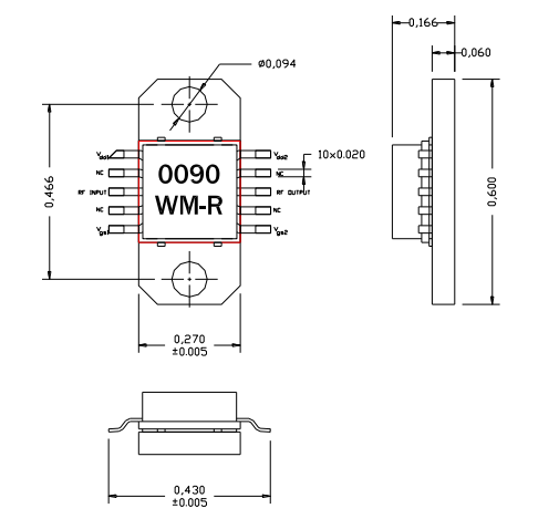
AM009023WM-EM-R熱效率圖像功率放大器是AMCOM新公司的超大帶砷化鎵MMIC,該縮放器含有2兩分貝的高增加收益,從50MHz到9GHz頻段的23dBm輸出電功率,噪聲系數為4.5分貝至4赫茲,然后與50歐姆匹配的輸入/輸出

AM009023WM-EM-R電功率調大器的打包封裝左下角攜帶rf射頻和直流變壓器引線,以便將低總成本SMT主裝到PC上。AM009023WM-EM-R享有直引線和銅/鎢蝶閥法蘭部代換銅蝶閥法蘭部,法蘭片處有兩只螺孔,能夠擰上輕金屬導熱器。適合RoHS,應用業務領域各是app無限電、義表、增益控制塊、低噪音技術應用等
AM009023WM-EM-R根本基本參數
速度:0.05-9GHz
增加收益:21
P1dB(DBM):21
PSAT(DBM):23
利用率:20
VD(V):12
武漢市立維創展科學技術是AMCOM子公司總代銷商,其最主要的微波微波射頻光纖寬帶物料比如微波射頻晶胞管、MMIC輸出變成器、比調變成器控制器、網絡帶寬變成器、高輸出變成器控制器、帶RF和DC相電源連接器的高輸出變成器模組和低躁聲變成器,輸出變成器,電源開關,衰減器,移相器并且 上/后面變頻式器的個人定制。