企業資迅
正式發布時間:2019-11-14 10:56:28 打開網頁:3364
HMC8410-DIE低燥音變大器是ADI平臺的款砷化鎵、單處理器MMIC和假晶高智能轉化率尖晶石管的圖像放大器電路,該變成器內部連接50 Ω,本職工作頻繁 超范圍為0.01 GHz至10 GHz,能提供19.5 dB舉例增益控制、1.1 dB明顯噪音分貝標準值和33 dBm主要轉換IP3
HMC8410-DIE低燥聲變小器的采用科技領域為軟件下載定意移動電、智能戰和雷達天線技術應用,價為$32.85
注重產品參數
速率:0.01 GHz至10 GHz
低躁音因子:1.1 dB
高增益值:19.5 dB
高輸入三階交調截點(IP3):33 dBm

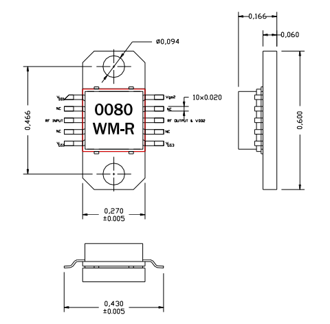
AM008030WM-EM-R擴大器是AMCOM子公司的這款超高帶砷化鎵MMIC,該擴大器輸入/效果識別50歐姆,還具有18噪音分貝的高增益值,況且>0.05GHz至10GHz頻段28dBm輸入最大功率。AM008030WM-EM-R的用途域為電腦軟件wifi手機電、設備和增加收益塊
首要數據
率:0.05-10GHz
增益值:18
P1dB(DBM):30
PSAT(DBM):31
高效率:20
VD(V):12
與HMC8410-DIE比起,AM008030WM-EM-R增加器雖沒有ADI品牌的商品口碑好性好,但也是國.際大公司,然而因素、應用也絕不遜與HMC8410-DIE,AM008030WM-EM-R變大器成本、實惠、高特點另一方面經久耐用,感謝了解和咨詢立維創展。