HMC409LP4E/HMC409LP4ETR高效化率最大功率放小器 ADI外盤
披露(lu)時間:2018-06-26 11:07:05 網頁(ye)瀏覽:7547
HMC409LP4(E)一款高效化率GaAs InGaP HBT MMIC馬力調大器,做工作頻段範圍為3.3至3.8 GHz。 該調大器所主要包括成本低的費、無鉛SMT封裝類型。 它所主要包括少的內部元器件,提拱31 dB增益抑制,飽和點馬力為+32.5 dBm,開關電源電阻值為+5V。 馬力抑制(Vpd)能用的 于全節電方法或RF模擬輸出電壓馬力/直流電壓抑制。 相對于+22 dBm OFDM模擬輸出電壓馬力(64 QAM, 54 Mbps),HMC409LP4(E)可確保2%的數據誤差矢量素材大幅度(EVM),然后實現WiMAX 802.16直線度要。
|
品牌
|
型號
|
描述
|
貨期
|
庫存
|
|
ADI
|
HMC409LP4E
HMC409LP4ETR
|
1 W功率放大器SMT,3.3 - 3.8 GHz
|
現貨
|
237
|
HMC409LP4應用
-
WiMAX 802.16
-
固定無線接入
-
無線本地環路
HMC409LP4優勢和特點
-
增益: 31 dB
-
40% PAE (+32.5 dBm pout)
-
2% EVM (Pout = +22 dBm)
具有54 Mbps OFDM信號
-
+46 dBm輸出IP3
-
集成功率控制(Vpd)
-
+5V單電源
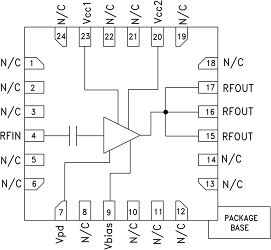
HMC409LP4結構圖
